無頭除氧器工作原理及主要優勢,這幾天有許多客戶朋友咨詢這個問題,為了給大家一個準確的答案,作者認真查閱了行業資料、深入研讀了技術文檔,并與公司專業的技術經理進行多輪探討交流,綜合整理專業知識與實踐經驗,整理總結出這篇文章,希望可以幫助到廣大朋友們。
一,無頭除氧器概述
無頭除氧器是低位熱力除氧器的一種特殊類型。
在鍋爐給水處理工藝過程中,除氧是一個非常關鍵的環節。氧是給水系統和鍋爐的主要腐蝕性物質,給水中的氧應當迅速得到清除,否則它會腐蝕鍋爐的給水系統和部件,腐蝕產生氧化鐵會進入鍋內,沉積或附著在鍋爐管壁和受熱面上,形成難溶解道至傳熱不良的鐵垢,而且腐蝕會造成管道內壁出現點坑,阻力系數增大。管道腐蝕嚴重時,甚至會發生管道爆炸事故。國家規定蒸發量大于等于2噸每小時的蒸汽鍋爐和水溫大于等于95℃的熱水鍋爐都必需除氧。多年來眾多鍋爐給水處理專家,針對常溫水除氧一直都在探求既高效又經濟的除氧方法。北京中天恒遠有十幾年設計和生產除氧器的經驗,采用先進的設計方案和制造工藝,與同行業常規除氧器相比具有很多優點。目前國內已有數家已建和在建的企業采用無頭除氧器技術,投運的企業均達到良好的運行效果。

二,無頭除氧器結構組成
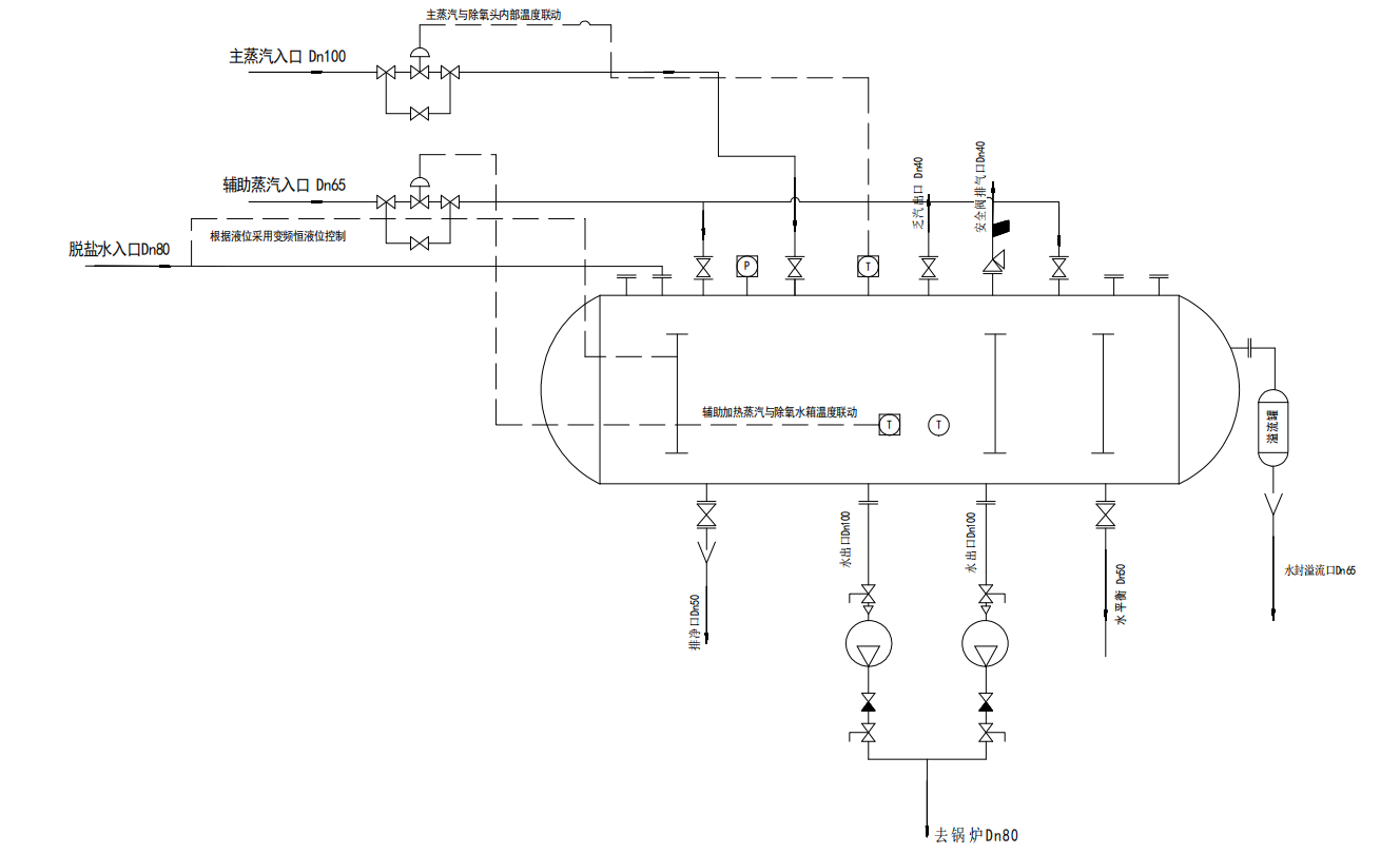
無頭除氧器是由汽水混合加熱器、罐體、軟水進水盤管、二次加熱再沸騰管、隔溫板、水泵防汽蝕裝置、液位計、溫度計、自動溢流罐、安全閥、電動閥等結構組成。
三,無頭除氧器工作原理
總體上包括三個工作過程:
一次除氧:
軟水經軟水進水盤管進入汽水混合加熱器,在此過程中與罐體內的除氧出水進行熱交換,將除氧出水降溫,同時對軟水盤管內的軟水進水預熱。此過程有兩個好處:
a.讓軟水多吸收熱能。
b.對除氧出水降溫防止水泵汽蝕。
汽水混合加熱器直接聯接于軟水進口。被加熱軟水在噴管內高速流動,蒸汽從噴管外側壁面上的小斜孔高速壓入噴管內的被加熱液體中,二者在高速流動中瞬時良好混合,從而實現加熱水的目的。實現了啟動無沖擊、運行無震動、噪聲極小,在裝有溫度自動控制系統的情況下,仍能平穩運行。通過一次測溫檢測調節進水電動調節閥與進蒸汽電動調節閥相互匹配,達到除氧溫度,一次除氧完成。
二次除氧:
二次除氧的目的是保證罐體內溫度始終保持在除氧溫度,以保證除氧效果的最大化。過程實現是根據二次測溫開啟二次加熱進蒸汽電動球閥,蒸汽通過二次加熱再沸騰管結水罐體內的水進行加溫,二次除氧完成。
排汽 :
在工作過程中,會定時排出罐體內脫出的氧氣。
四,無頭除氧器系統流程圖

五,無頭除氧器性能參數說明
型號說明:

六,無頭除氧器產品優勢
蒸汽與液體瞬間混合均勻,加熱迅速,熱效率高達100%,節能。
汽水混合加熱蒸汽壓力低于,高于被加熱液體壓力均可使用,而不受蒸汽壓力必須高于液體壓力0.05~0.1Mpa的限制。
振動小,噪音低。
體積小, 投資少。
溫升大,可達104℃以上。
結構簡單、不易結垢、免維護、使用壽命長。
可利用工業低壓乏汽作熱源制熱水,節約了能源,保護了環境。
由于針對用戶參數選用型號或專門設計,對用戶有極強的適用性,運行平穩,能滿足用戶各項要求。
北京中天恒遠聯系方式:
技術經理:186-1009-4262
電話微信:186-1009-4262
咨詢電話:010-8022-5898
無頭除氧器工作原理及主要優勢就為大家講解到這里啦。如果您想要了解更多軟化水設備、除氧器,加藥裝置、定壓補水裝置,反滲透設備、污水處理設備等,歡迎關注北京中天恒遠官方網站。我們將持續更新專業的技術文章,希望對您有所幫助。





